• <li id="4ssss"><table id="4ssss"></table></li>
  • <li id="4ssss"></li>
  • <li id="4ssss"></li>
  • <table id="4ssss"><noscript id="4ssss"></noscript></table>
  • <li id="4ssss"><table id="4ssss"></table></li>
  • 減速機廠家認準淄博匯益減速機械,型號全

    山東減速機專業廠家,供貨充足,品質放心

    WXJ型蝸輪蝸桿齒輪減速機

    • 產品名稱: WXJ型蝸輪蝸桿齒輪減速機
    • 產品分類: 蝸輪蝸桿齒輪減速機
    • 公司名稱: 淄博匯益減速機械有限公司
    • 添加時間: 19/10/11
    • 點擊次數:  
    • 二 維 碼:

      手機瀏覽

      更方便

    產品詳情


    WXJ型蝸輪蝸桿齒輪減速機是傳動的阿基米德圓柱蝸桿減速器,WXJ型蝸輪蝸桿齒輪減速機具有體積比普通蝸輪減速機小,重量輕的特點,廣泛用于礦山、冶金、水泥、建筑等各機械設備的減速傳動。

    WXJ型蝸輪蝸桿齒輪減速機(蝸桿下置)型為傳動的阿基米德圓柱蝸桿減速器。主要用于礦山、冶金、水泥、建筑等各機械設備的減速傳動,蝸桿轉速不超過1500r/min,工作環境溫度為-40℃~+40℃,蝸桿可正反轉,減速器具有自鎖性。

    WXJ型蝸輪蝸桿齒輪減速機主要參數表

    型號

    中心矩

    速比

    蝸桿頭數

    蝸桿齒輪

    模數

    配用功率KW

    WXJ-80

    80

    52

    1

    52

    2.5

    1.1~1.5

    41

    1

    41

    3

    20.5

    2

    30

    1

    30

    4

    15

    2

     
    WXJ-100

    100

    55

    1

    55

    3

    1.5~2.2

    27.5

    2

    40

    1

    40

    4

    20

    2

    31

    1

    31

    5

    15.5

    2

    WXJ-120


    50

    1

    50

    4

    2.2~3

    25

    2

    39

    1

    39

    5

    19.5

    2

    31

    1

    31

    6

    15.5

    2

    WXJ-150

    150

    51

    1

    51

    5

    4.5~5.5

    25.5

    2

    41

    1

    41

    6

    20.5

    2

    33

    1

    33

    7

    WXJ-180

    180

    51

    1

    51

    6

    5.5~7

    37

    1

    37

    8

    18.5

    2

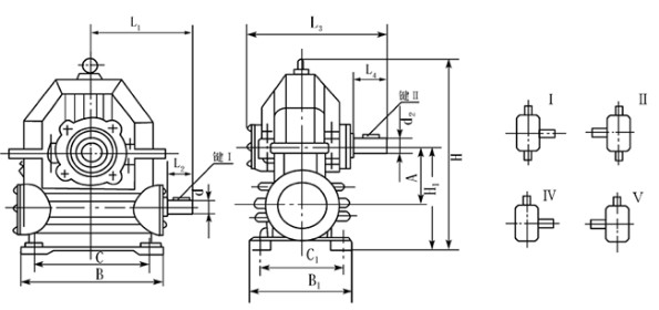
    標記示例:

    型號

    A

    H1

    H

    B

    B1

    C

    C1

    4--Φ

    L1

    L2

    L3

    L4

    d1

    鍵I

    d2

    鍵II

    WXJ80

    80

    160

    285

    210

    160

    145

    115

    4—Φ13

    181

    50

    152

    50

    Φ22

    6×40

    Φ30

    8×42

    WXJ100

    100

    190

    340

    250

    180

    180

    140

    4—Φ18

    191

    50

    176

    65

    Φ30

    8×42

    Φ40

    12×55

    WXJ120

    120

    220

    380

    275

    200

    200

    150

    4—Φ18

    218

    56

    187

    78

    Φ30

    8×50

    Φ45

    14×70

    WXJ150

    150

    270

    450

    374

    260

    290

    210

    4—Φ24

    277

    65

    227

    90

    Φ40

    12×50

    Φ55

    16×80

    WXJ180

    180

    320

    540

    420

    320

    300

    260

    4—Φ24

    298

    78

    421

    98

    Φ45

    14×68

    Φ60

    18×90




    點擊次數:   更新時間:19/10/11 11:46:10   【打印此頁】   【關閉【返回上一頁】
    淄博匯益減速機械有限公司
    聯系人:龐經理 
    手機:13708949509/13853354156 
    電話:0533-4650930 
    傳真:0533-4650930 
    地址:淄博市博山開發區張莊村西